Ф О Р У М
|
| 1(24) | +Vcharge |
| 2(23) | +Vcharge |
| 3(22)* | CTS / IO / USC5 |
| 4(21)* | RTS / CLK / USC4 |
| 5(20)? | FS / RI / USC3 |
| 6(19)*# | +Vbat |
| 7(18)*# | +Vbat |
| 8(17)? | ACCDIENT |
| 9(16)? | FS / RI / USC6 |
| 10(15)* | RX / CTS / GPIO_1 |
| 11(14)* | TX / RTS / GPIO_3 |
| 12(13)* | TXD / TX / USC2 |
| 13(12) | 'POWERON - Key <Send>. For activation connect to GND |
| 14(11)? | 'ACCDETECT |
| 15(10)* | RXD / RX / USC1 |
| 16(9)* | CLK / USC0 |
| 17(8)# | JTAGEN - For activation connect to Vbat |
| 18(7)# | TDI / DAI1 / GPIO20 |
| 19(6)# | TDO / DAI0 / GPIO21 |
| 20(5)# | TMS / DAIRESET / GPIO19 |
| 21(4)# | TCK / HSLDO0 / GPIO18 |
| 22(3)*# | GND |
| 23(2)*# | GND |
| 24(1)*# | GND |
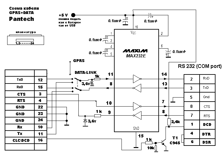
| * - Use for DATA-CABEL # - Use for JTAG (hi level specification by Analog Device) |
*01763*476# --- Tests
*01763*5640# (*01763*LOG0#) --- Disable LOG
*01763*5641# (*01763*LOG1#) --- Enable LOG
*01763*6370# (*01763*MEP0#) --- Disable MEP menu (unlock menu)
*01763*6371# (*01763*MEP1#) --- Enable MEP menu (unlock menu)
*01763*3640# (*01763*ENG0#) --- Disable Engineer Mode
*01763*3641# (*01763*ENG1#) --- Enable Engineer Mode
*01763*63866330# (*01763*NETMODE0#) --- Disable NetMode
*01763*63866331# (*01763*NETMODE1#) --- Enable NetMode
*01763*737381# (*01763*RESET1#) --- System reset (all default settings)
*01763*546360# --- LineN0 ?
*01763*546361# --- LineN1 ?
*01763*546364# --- LineN4 ?
*01763*546367# --- LineN7 ?
*01763*34531# --- ?
*01763*62766# --- ?
*01763*727# --- ?
*01763*68726# --- ?
01763*22637266# (*01763*CAMERAON#) --- Camera test mode on
*01763*225837# --- ?
*01763*22637266# (*01763*CAMERAON#) --- Camera test mode on
none - нет
*01763*22637266# (*01763*CAMERAON#) --- Camera test mode on
*01763*79837# (*01763*SWVER#) --- SoftWare version
*01763*28271# --- ?
*01763*28270# --- ?
*01763*2873738# --- ?
*01763*288# --- ?
*01763*22637266# (*01763*CAMERAON#) --- Camera test mode on
*01763*79837# (*01763*SWVER#) --- SoftWare version
*01763*92782# --- copy UaData..... copy httpUserAgent.....Call Edit Mode : %s ?
*01763*927827763# --- copy UaProfData..... copy httpUserAgentProf..... ?
*01763*22637266# (*01763*CAMERAON#) --- Camera test mode on
*01763*79837# (*01763*SWVER#) --- SoftWare version
*01763*92782# --- copy UaData..... copy httpUserAgent.....Call Edit Mode : %s ?
*01763*927827763# --- copy UaProfData..... copy httpUserAgentProf..... ?
*01763*47865625# --- ?
*01763*79837# (*01763*SWVER#) --- SoftWare version
*01763*92782# --- copy UaData..... copy httpUserAgent.....Call Edit Mode : %s ?
*01763*927827763# --- copy UaProfData..... copy httpUserAgentProf..... ?
*01763*66756# --- ?
none! - *01763*476# --- Tests
none! - *01763*546360# --- LineN0 ?
none! - *01763*546361# --- LineN1 ?
none! - *01763*546364# --- LineN4 ?
none! - *01763*546367# --- LineN7 ?
none! - *01763*62766# --- ?
none! - *01763*727# --- ?
none! - *01763*68726# --- ?

01. Переведите переключатель на дата-кабеле из положения PC-Sunc в GPRS.
02. Выключите мобильный телефон и подсоедините к нему дата-кабель.
03. Запустите программу GSM Downloader.
04. Выберите режим <2 портовый> и нажмите <Да>.
05. Выберите скорость работы COM порта (COM Speed) 115k и тип карты (Card Type) Keycomm.
06. Укажите путь к файлу прошивки (Code) и к файлу с данными (Data). Поставьте все галочки (пользовательские данные телефона будут стерты!).
07. Нажмите кнопку Ready (Готов) в том поле, номер COM порта в котором совпадает с номером порта к которому подключен дата-кабель.
08. Нажмите на телефоне кнопку выключения (красная трубка) и удерживайте ее (или соедените с землей (24 контакт) контак телефона 13) до конца процесса прошивки. Если вы отпустили кнопку, тогда закройте программу и повторите процесс с шага 3.
09. Пойдет процесс прошивки.
10. По окончании процесса, закройте программу и отсоедините дата-кабель от телефона.
11. Включите телефон (если не включается, отсоедините и присоедините батарейку).